| 品牌 | WINSEMI/稳先微 | 批号 | 25+ |
| 封装 | DFN5x6-16L | 仓库 | 深圳 |
- 原装正品现货
稳先微近期推出智能高边开关WS7系列单通道WS7140AD,该系列产品设计具有全面的保护、诊断功能,包括可配置闭锁功能的过热关断保护、动态过温保护、负载过流保护、高精度比例负载电流检测、输出过载和对地短路警报以及对VCC短路诊断和OFF状态开路诊断等。WS7140AD可用于驱动车身控制域中的各种阻性、感性及容性负载的驱动,涵盖了车内饰灯、头尾灯、座椅和方向盘及后视镜加热、电磁阀、门锁、电机等多种应用场景。
01 WS7140AD特性
1)用于通过3V和5V驱动12V汽车驱动接地负载应用,最大电源电压为38V,工作电压范围为4.5-28V。
2)导通电阻RDS(ON)=140mΩ(Typ,TJ=25℃),相对较小的内阻意味着在同等负载条件下得以允许通过更大电流,提升芯片整体的效率与稳定性。
3)待机电流<1.0μA,更加适配车身控制域的低功耗需求。
4)高精度比例负载电流检测:精确实时电流检测,提供更快诊断,检测需求。
5)提供DFN5x6-16L产品封装。
6)符合AEC-Q100标准。
02 WS7140AD典型应用
WS7140AD的良好性能与适配性,给智能汽车的模块链接提供了有力的支持。
以驱动车灯负载为例,在车身去中央化架构的趋势下,BCM(中央车身控制模块)将负责车身前后LED灯光模块的通讯协调,为了支持越来越多的功能容纳,智能高边开关的高集成度、可扩展性和灵活性是更加合适的选择。当浪涌电流达到器件电流限制时,一般情况下LED灯会发生短路,被迫关断且限制热应力。WS7140AD则拥有较好的短路耐受性,可以让浪涌电流在同等情况下顺利流过,此时,器件会因过温而暂时关闭,等温度恢复正常后又可重新启动,维护车身稳定运行。

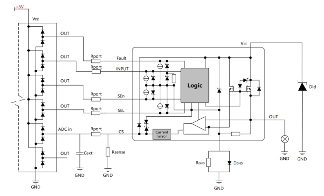
WS7140AD典型应用图
03 产品回溯:完成高规格化产出
稳先微积极响应智能汽车市场的发展需求,于2019年布局汽车电子芯片,正式进入车企供应链。通过长期深耕汽车电子领域,投入高水平、高质量的产品技术研发,实现功率MOS 16家头部Tier 1供货,19家知名车企上车。本次推出高边智能开关WS7系列产品,是产业智能化、电控化升级所需的高集成度、高性能、高稳定性的电源能量链保护解决方案。
稳先微已发布含WS7140AD在内的单通道高边开关芯片WS型,具体产品如下:

如有更多产品需求与企业信息敬请关注稳先微官方微信订阅号。
